PAKETTO 5050K - VMDS
Paketlenen Ürünler
Dolum Yapılan Kilogramlar
Dolum Yapılan Paketler
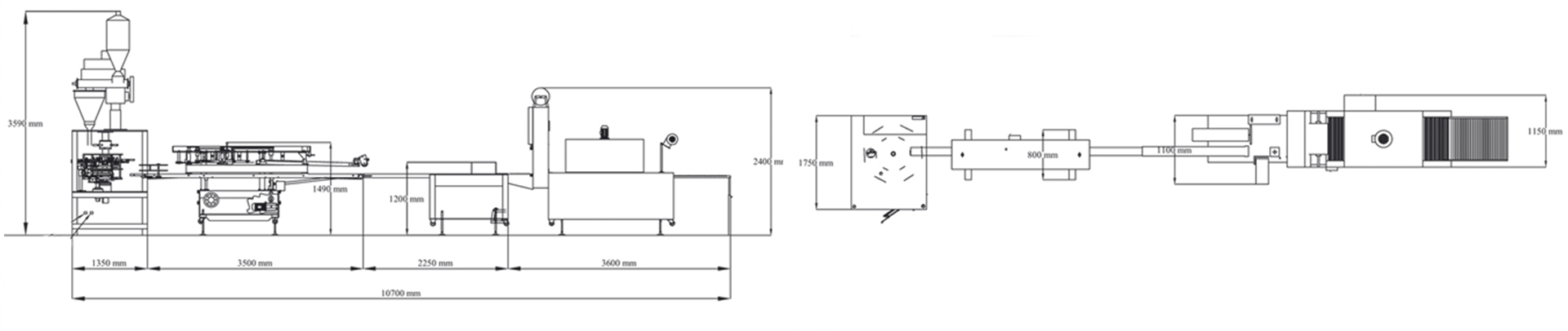
SAM FPM 125 Standart Model Tam Otomatik Dolum ve Paketleme Hattı
SAM FPM 125 Standart Model Tam Otomatik Dolum ve Paketleme Hattı, düz tabanlı hazır kâğıt paketleri otomatik olarak alıp dolumunu gerçekleştirir. Dolumu gerçekleşen paketler bant üzerinde ağız kapatma makinesine doğru ilerler. Ağız kapatma makinesinde kâğıdın fazlası kesilir, birinci kıvrılması yapılır, sıcak tutkalla en son katlaması yapılarak ağzı kapanmış şekilde makineden çıkar. Ağız kapatma makinesinden çıkan paketlerin tarihleri otomatik olarak atılır ve paketler otomasyon şirink makinesine doğru ilerler. Şirink makinesinde paketler gruplanır ve şirinklenir.
- Hassasiyet:Dolumdaki hata payı 1 Kg. için ± % 0.5 (binde 5) ve çalışma firesi %2 nin altındadır.
- Garanti:Yurtiçinde 2 yıl, yurtdışında 1 yıl garantilidir.
- Kapasite:1 Kg paketlemede: 28-30 paket/dakika
2 Kg paketlemede: 16-18 paket/dakika
5 Kg paketlemede: 6-8 paket/dakika - Elektrik:380 V, 3 Faz, 50 Hz ile çalışır.
- Tesis olarak, ağız kapatma, sıcak tutkal, inkjet yazıcı, kümeleme-şirinkleme makinelerinden ve talebe göre diğer parçalardan oluşur.
-
Motor
